推荐产品
RPB-830-N-FF拉曼探头
- 产品型号:
- 更新时间:2023-12-19
- 产品介绍:RPB-830-N-FF拉曼探头是针对830nm激光诱导拉曼光谱应用而设计的探头。通过与830nm半导体激光器和光纤光谱仪配合使用,实现拉曼光谱测量应用。
通过配备不同采样支架,可以针对形态分别为固体、液体或粉末状的样品进行检查。OD6的光学干涉滤光片有效保证了瑞利信号的滤除,紧凑设计使得本产品更易实现手持拉曼光谱测量。 - 厂商性质:代理商
- 在线留言
产品介绍
| 品牌 | 其他品牌 | 价格区间 | 面议 |
|---|---|---|---|
| 组件类别 | 光学元件 | 应用领域 | 电子/电池 |
RPB-830-N-FF拉曼探头

RPB-830-N-FF拉曼探头是针对830nm激光诱导拉曼光谱应用而设计的探头。通过与830nm半导体激光器和光纤光谱仪配合使用,实现拉曼光谱测量应用。
通过配备不同采样支架,可以针对形态分别为固体、液体或粉末状的样品进行检查。OD6的光学干涉滤光片有效保证了瑞利信号的滤除,紧凑设计使得RPB-830-N-FF拉曼探头更易实现手持拉曼光谱测量。
产品样图
图1 RPB-830-N-FF实物图
产品特性
适配拉曼光谱范围:150cm-1~ 4000cm-1,光谱范围更宽优化设计,有效滤除瑞利信号,截止深度>OD6产品装配工艺保证*性起始波束*性:Start@150cm-1
产品规格
| 型号 | RPB-830-1.5-NN | |
| 物理参数 | 平面图所示 | |
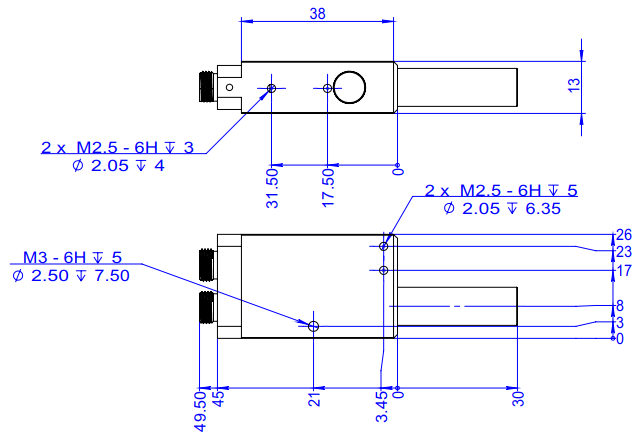
| 尺寸 | 编号F | 主体:102×30×13 mm |
| 探棒:45 不锈钢材质 | ||
| 出射光纤 | 编号A | N.A. |
| 接收光纤 | 编号B | N.A. |
| 合束部分的铠甲规格 | 编号E | N.A. |
| 光纤(合束段) | N.A. | |
| 光纤(分束段) | 编号C、D | N.A. |
| 设备参数 | ||
| 电线线束 | N.A. | |
| 触发装置 | N.A. | |
| 光路控制 | N.A. | |
| 连接激光器端子 | FC/PC | |
| 连接光谱仪端子 | FC/PC | |
| 光纤参数 | ||
| 适用激光器波长 | 830nm | |
| 8.5mm护管可承受拉力 | N.A. | |
| 785瑞利散射截止深度 | OD6 | |
| 拉曼光谱工作范围 | 150cm-1~2800cm-1 | |
| 探头工作距离 | 7.5 mm(标准) | |
| 探头总体出射耦合效率 | >75% | |
| 环境参数 | ||
| 工作/储存温度 | 0~60℃ | |
| 工作/储存湿度 | 5%~85% | |
酒精拉曼光谱图
测量条件:830nm激光器,激光功率500mw,积分时间1s
样品为酒精,放在12.5mm×12.5×45mm的比色皿中
固定孔位和外形尺寸

其他附件明细
| 附件名称 | 有无情况 |
| 产品保修卡 | 有 无 |
| 产品使用手册 | 有 无 |
| 产品2D模型图 | 有 无 |
| 产品3D模型图 | 有 无 |
- 上一篇:980nm荧光探头



