JSIR 350-5红外辐射源 红外光源
- 产品型号:
- 更新时间:2024-09-25
- 产品介绍:JSIR 350-5红外辐射源 红外光源:高性能红外红外辐射源,采用纳米非晶碳膜。这种材料能够实现高达850°C的膜片温度,提供高且长期稳定的辐射输出。JSIR 350红外红外辐射源非常适合用于医学、工业及其他高要求应用领域的各种气体分析应用。其输入功率仅为175毫瓦,因此该红外辐射源也可用于移动设备和手持设备。
- 厂商性质:代理商
- 在线留言
产品介绍
| 品牌 | 其他品牌 | 应用领域 | 综合 |
|---|
JSIR 350-5红外辐射源,TO46封装,带反射器,开放式
JSIR 350-5红外辐射源,TO46封装,带反射器和氟化钙窗口
JSIR 350-5红外辐射源,TO46封装,带反射器和蓝宝石窗口
JSIR 350-5红外辐射源,TO46封装,带反射器和氟化钡窗口
描述
高性能红外红外辐射源,采用纳米非晶碳膜。这种材料能够实现高达850°C的膜片温度,提供高且长期稳定的辐射输出。JSIR 350红外红外辐射源非常适合用于医学、工业及其他高要求应用领域的各种气体分析应用。其输入功率仅为175毫瓦,因此该红外辐射源也可用于移动设备和手持设备。
带有反射器的TO46标准封装版本适用于从2厘米开始的测量距离。该红外辐射源可以与MTS热电堆探测器或MPS热释电探测器配合使用。与Micro-Hybrid IR探测器结合使用时,可确保最佳性能并确保精确测量结果,用于分析气体浓度。
MEMS IR红外辐射源的高性能膜由纳米非晶碳制成,能够达到高达850°C的膜片温度。它允许高且长期稳定。它使得高且长期稳定的辐射性能成为可能。
我们的销售团队将很高兴为您提供定制和高容量价格的建议。欲了解更多技术信息,请参阅数据表。
应用
l NDIR气体检测
l 衰减全反射光谱法
l 直接红外光谱法
l 光声光谱法
目标气体
l 二氧化碳、一氧化碳、一氧化二氮、氨气、二氧化硫、六氟化硫以及成熟气体如乙烯(C2H4)和乙炔(C2H2)
特点
l 高膜片温度高达850°C
l 高调制频率
l 长寿命(由于膜片的高稳定性而具有可靠性)
技术参数
技术参数 | 数据 | 单位 |
光谱输出范围 | 2-15 | μm |
有效面积 | 0.65x 0.65 | mm² |
耐热1 | 40 ± 20 | Ω |
温度系数2 | typ.50 | ppm/K |
时间常数0-63% | typ.8 | ms |
标称功耗3 | 175 | mW |
工作电压4 | typ.2.6 | V |
工作电流4 | typ.66 | mA |
推荐驱动模式 | Power mode | |
活动区域温度1,5 | 650± 30 | °C |
窗口 | 可供选择的材料有:蓝宝石、氟化钡、氟化钙、硅增强型抗反射涂层(Si ARC),其他材料可按需提供。 | |
外壳 | TO46 | |
预计使用寿命6,7 | >5 000 h at 740 °C >100 000 h at 610 °C | |
绝对最大额定值 | ||
输入功率3,5 | 300 | mW |
外壳温度7 | 200 | °C |
活动区域温度 | 850 | °C |
1. 在额定功率下
2. 25°C - 850°C
3. 在通电状态下
4. 带有40Ω热电阻
5. 环境温度为25°C时
6. 连续模式下,平均排除故障时间(膜片破裂)为63%,计算值基于阿伦尼乌斯方程
7. 包括环境温度
典型操作特性
电气示意图
电路
等效电路图
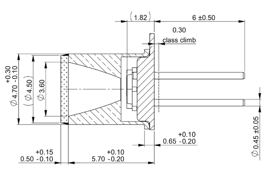
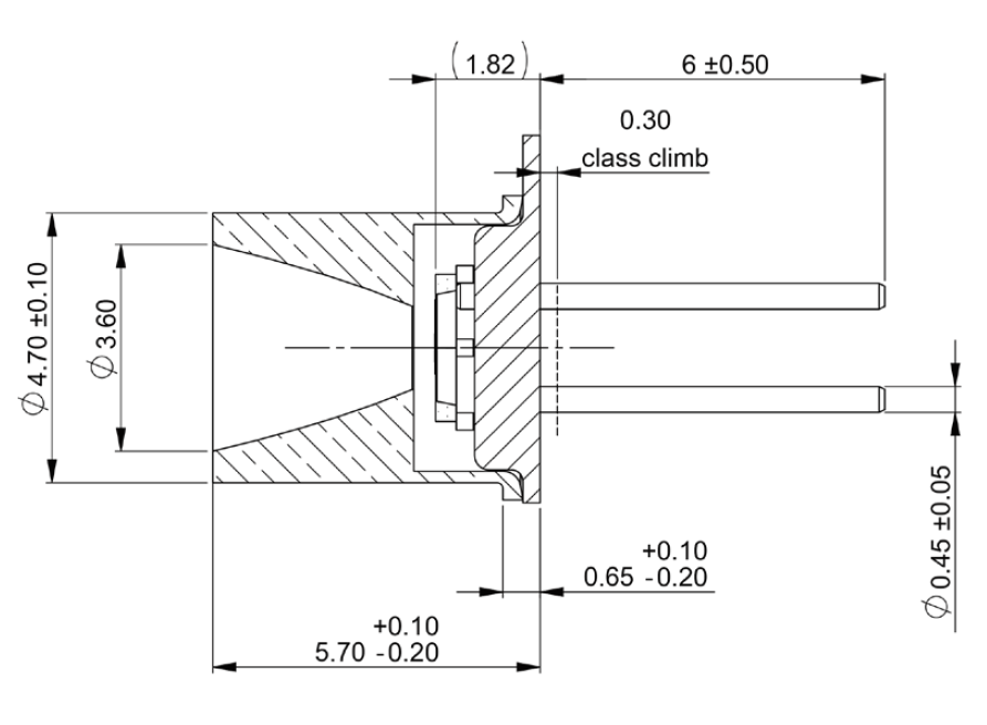
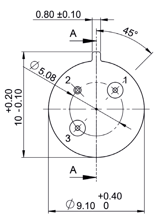
机械制图
底部
截面图-JSIR 350-5 reflector open
截面图-JSIR 350-5 reflector with filter
产品概述
型号 | 类型 | 填充气体 | 低温度 | 最高温度 | 光圈 | 窗口 |
JSIR350-5-BL-R-D3.6-0-0 | TO46 with reflector | None | -20 °C | 185 °C | 2.55 mm | Open |
JSIR350-5-BL-R-D3.6-N2-A1 | TO46 with reflector | 氮气 | -20 °C | 85 °C | 2.55 mm | Sapphire |
JSIR350-5-BL-R-D3.6-N2-A2 | TO46 with reflector | 氮气 | -20 °C | 85 °C | 2.55 mm | 氟化钙 |
JSIR350-5-BL-R-D3.6-N2-A4 | TO46 with reflector | 氮气 | -20 °C | 85 °C | 2.55 mm | 氟化钡 |
- 下一篇:冷反射镜



